服務熱線
021-33617555
全國服務熱線:
021-33617555
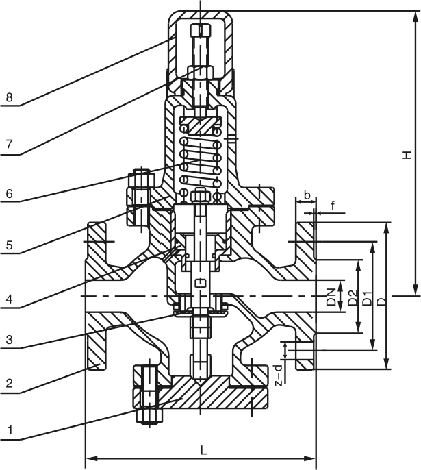
Y42X型彈簧活塞式減壓閥適用于工作溫度0~90C的水、空氣和非腐蝕液體管路上。在高層建筑的冷熱水供水和消防供水系統中,可取代常規分區水管,簡化和節省系統的設備,降低工程造價。該產品比原膜片式提高壽命3倍以上。
產品概述Product Overview
Y42X型減壓穩壓閥,是一種以活塞代替膜片的壓力調節閥。此膜片式提高壽命三倍以上。口徑小于DN50的建議選用Y110和Y116(螺紋連接)的隔膜型減壓閥;口徑大于等于DN50的建議選用Y42X(法蘭連接)的活塞型減壓閥。該類閥門屬于可調節型減壓閥,閥后的壓力可根據需要調節,投入使用后閥后壓力始終減至并穩定在設定值,不因閥前壓力、流量的波動而改變。閥門選材優質,性能可靠,使用壽命長。
技術參數Technical parameter
公稱壓力Nominal pressure:1.6~6.4MPa
公稱通徑Nominal diameter:20~400mm
適用介質Applicable medium:空氣或非腐蝕性液體 Air or non corrosive liquid適用溫度 Applicable temperature:0~90℃
法蘭標準Flange standard:GB/T17241.6GB/T9113
試驗標準Test standard:GB/T13927API598



